Cart

Please add the product to your cart
Go to the store
    Subtotal:
    Home SitoDrive HS-14-II Harmonic Reducer SHF-14-II High Torque Strain Wave Gear for Robot Joint BLDC Servo Motor Medical Automation

    SitoDrive HS-14-II Harmonic Reducer SHF-14-II High Torque Strain Wave Gear for Robot Joint BLDC Servo Motor Medical Automation

    10% Cashback;Import charges included

    Amount:
    0 0
    • Speed Ratio
      30
      50
      80
      100
    1
    Add to Cart
    Buy Now

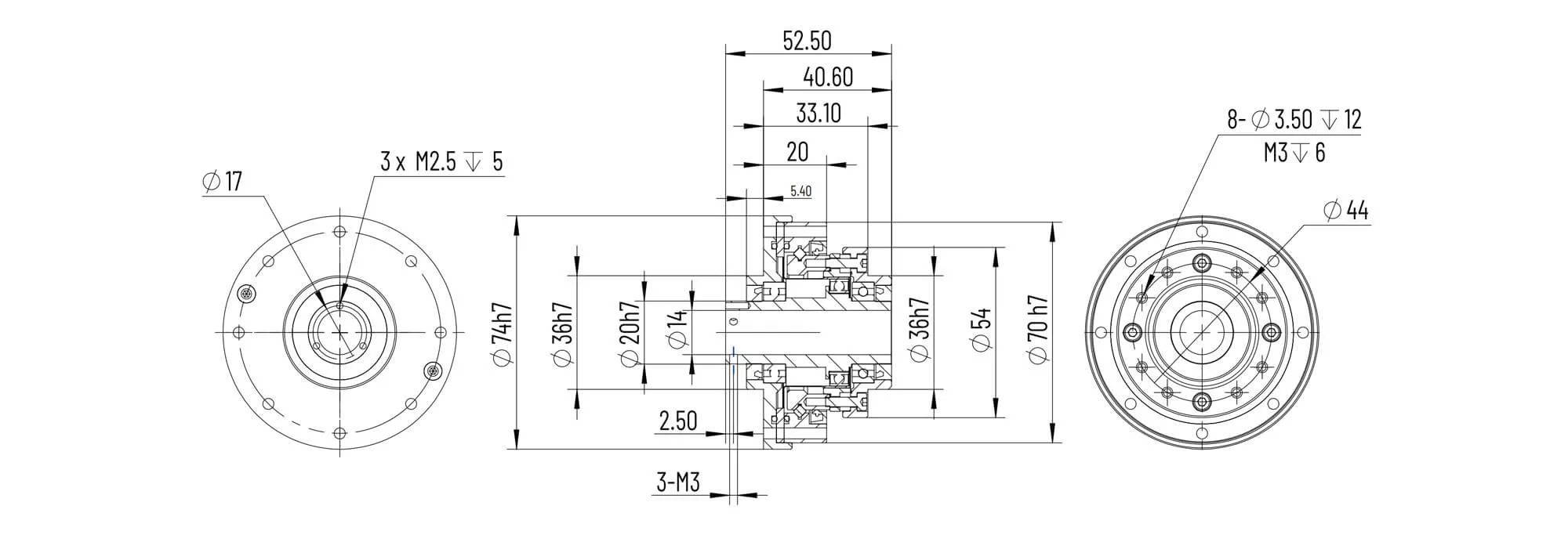
    HS-14-II

    HS系列-中空型谐波减速器

    直径 : 74 mm

    厚度 : 52.6 mm

    重量 : ≤0.55 kg

    孔位安装平面图

    单位 : mm

    HD-14 参数

    减速比

    30

    50

    80

    100

    120

    输入2000r/min时的额定转矩 [ Nm ]

    4

    5.4

    7.8

    7.8

    起动停止时的容许峰值转矩 [ Nm ]

    9

    18

    23

    28

    平均负载转矩的容许最大值 [ Nm ]

    6.8

    6.9

    11

    11

    瞬间容许最大转矩 [ Nm ]

    17

    35

    47

    54

    容许最高输入转速 [ rpm ]

    8500

    8500

    8500

    8500

    容许平均转速 [ rpm ]

    3500

    3500

    3500

    3500

    转动惯量 [ Ix10^-4 kgm^2 ]

    0.033

    0.033

    0.033

    0.033

    背隙 [ Arcsec ]

    ≤20

    ≤20

    ≤10

    ≤10

    PRODUCT CONSULTATION

    SUPPORT

    If you have any problems during product use, please feel free to contact us

    CONTACT US

    Business consulting, deep customization, or wanting to become an agent

    SITO DRIVE > EXPANDING INTELLIGENCE

    [email protected]

    Guangzhou, China - Golden Inner Bay of the Greater Bay Area

    COPYRIGHT (©) 2024 SITO DRIVE